Adres
| Beschikbaarheid Status: | |
|---|---|
| Hoeveelheid: | |
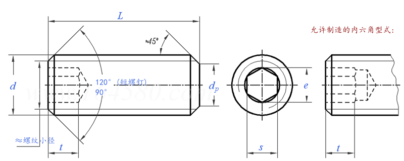
DIN916 DIN913
YPH
BESCHRIJVING:
Inbusstelschroeven van YPH Fasteners worden gebruikt in toepassingen waarbij een sterke houdkracht door compressie vereist is. Ze worden gebruikt bij het bouwen van schachtkragen, uitgangsdeuren, knoppen en valbeugels. Ze moeten voldoende worden aangedraaid om de samengedrukte positie vast te houden zonder te breken als gevolg van het uitgeoefende koppel. De axiale houdkracht van de schroef kan worden vergroot door deze verder aan te draaien. Er zijn verschillende stijlen waarin deze schroeven kunnen worden gebruikt.
Afhankelijk van de bewerkingsbehoefte worden ze gebruikt bij de montage van permanente en semi-permanente onderdeelassemblages. Deze schroeven krijgen het vastzet- en houdvermogen van het speciaal ontworpen kegelvormige punt waardoor het diep in het onderdeel kan dringen. Als het wordt gebruikt in een plat puntontwerp, kunnen ze slijtage verdragen zonder de structurele integriteit in gevaar te brengen. Om structurele schade te voorkomen en toch frequente wijzigingen aan te brengen, kunt u deze schroeven in ovale stijl gebruiken. Het is verkrijgbaar in roestvrij staal, koolstofstaal en gelegeerd staal om meer slijtage te verdragen en het tegelijkertijd corrosiebestendiger te maken.
Afmeting:
Maat:
DIN913:M2-M24 (VLAKKE HOOFD)
DIN916:M2-M24(KOP PUNT HOOFD)
DIN915:M2-M24(HONDENHOOFD)
DIN914:M2-M24(KEGELHOOFD)
BESCHRIJVING:
Inbusstelschroeven van YPH Fasteners worden gebruikt in toepassingen waarbij een sterke houdkracht door compressie vereist is. Ze worden gebruikt bij het bouwen van schachtkragen, uitgangsdeuren, knoppen en valbeugels. Ze moeten voldoende worden aangedraaid om de samengedrukte positie vast te houden zonder te breken als gevolg van het uitgeoefende koppel. De axiale houdkracht van de schroef kan worden vergroot door deze verder aan te draaien. Er zijn verschillende stijlen waarin deze schroeven kunnen worden gebruikt.
Afhankelijk van de bewerkingsbehoefte worden ze gebruikt bij de montage van permanente en semi-permanente onderdeelassemblages. Deze schroeven krijgen het vastzet- en houdvermogen van het speciaal ontworpen kegelvormige punt waardoor het diep in het onderdeel kan dringen. Als het wordt gebruikt in een plat puntontwerp, kunnen ze slijtage verdragen zonder de structurele integriteit in gevaar te brengen. Om structurele schade te voorkomen en toch frequente wijzigingen aan te brengen, kunt u deze schroeven in ovale stijl gebruiken. Het is verkrijgbaar in roestvrij staal, koolstofstaal en gelegeerd staal om meer slijtage te verdragen en het tegelijkertijd corrosiebestendiger te maken.
Afmeting:
Maat:
DIN913:M2-M24 (VLAKKE HOOFD)
DIN916:M2-M24(KOP PUNT HOOFD)
DIN915:M2-M24(HONDENHOOFD)
DIN914:M2-M24(KEGELHOOFD)